DC110Vまで対応出来る電源装置!お困りの方は昌栄電機にお問い合わせを!
PSS型電源(LXタイプ)では、最大DC110Vまで出力可能な電源をラインナップしております。 バッテリーからの置換え等に最適です。 ご希望に応じたカスタム品も提供しておりますので、 お気軽にお問い合わせ下さい。 ※製品仕様書は、下記よりダウンロードしてご覧頂けます。
この製品へのお問い合わせ
カタログ(1)
カタログをまとめてダウンロード企業情報
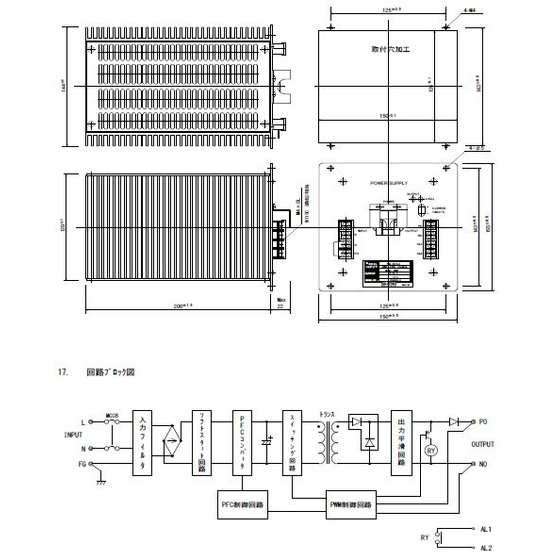
創業以来、お客様のご要望にお答えする計測機器・制御機器の製品及びサービスをご提供し、その製品の製造及び使用に伴う環境負荷の低減に務めてまいりました。当社は地球環境の保全が人類共通の最重要課題の一つであることを認識し、今後更に環境への影響を配慮した継続的改善を積極的に推進いたします。











