高精度・高安定・高操作性を兼ね備えた現場対応型モデル『LDM-7100/LDM-8100』
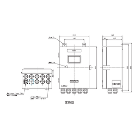
『LDM-7100/LDM-8100』は水処理・下水処理ラインの濃度管理を支える現場設置型レーザ濃度計です。レーザ光を用いた近赤外散乱方式で、気泡や濁度変化の影響を受けにくく、正確なデータを提供。 人感センサによる自動点灯機能や、送泥中でも取り外せる検出器など、操作性と保守性にも優れています。 バイパス不要の省スペース設計で、既設ラインへの後付けも容易です。 長期安定性とメンテナンス性を兼ね備えた次世代型濃度計です。 【特長】 ■ レーザ光による高安定・高信頼測定 ■バイパス不要で設置・改造工事が簡単 ■人感センサ搭載で操作性アップ ■ 送泥中センサ脱着対応 ■4〜20mA出力対応でシステム連携可能 ※詳しくはPDF資料をご覧いただくか、お気軽にお問い合わせ下さい。
この製品へのお問い合わせ
基本情報
【その他の特長】 ■日本語表示と対話方式で、間違いのない、簡単入力が可能 ■変換器に人感センサ採用し、消灯中の蛍光表示管に人が近づくと自動点灯 ■特殊演算法の採用により、汚泥色の影響を受けにくい ■レーザ光採用で、溶液色の影響を受けにくく、緑色藻類が検出面に付着しない ■検出器脱着可能で、検出面の洗浄が簡単 ※詳しくはPDFをダウンロードしていただくか、お気軽にお問い合わせください。
価格帯
納期
用途/実績例
【測定対象】 ■配管内の汚泥濃度(SS) ※詳しくはPDFをダウンロードしていただくか、お気軽にお問い合わせください。
企業情報
芝浦セムテック株式会社では、環境計量証明・作業環境測定・飲料水検査・ 設備・工事・コンサルティング・計測機器・油圧機器などの販売を 行っております。 環境測定・分析、計測関連機器、環境保全関連機器などを 承っておりますので、ご要望の際はお気軽にご相談ください。





