ねじ軸はボールねじと同等のリード精度にて生産され高精度な位置決めを実現!
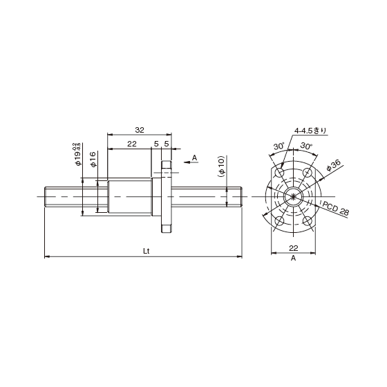
当社で取り扱う、樹脂ナットすべりねじ『PY/PWシリーズ』について ご紹介いたします。 ねじ軸はボールねじと同等のリード精度にて生産され高精度な 位置決めを実現。 部品を樹脂化したことにより、卓上装置に求められる“軽量"に 貢献いたします。 【特長】 ■高精度なボールねじの製造ノウハウを活用 ■耐薬品性、耐食性に優れた材質を採用 ・ねじ軸は、耐食性に優れたステンレス鋼も選択可能 ・ナット部には耐薬品性に優れた樹脂を採用 ■軽量で長寿命な樹脂製すべりねじを実現 ※詳しくはPDFをダウンロードしていただくか、お気軽にお問い合わせください。
この製品へのお問い合わせ
基本情報
【仕様概要】 ■呼び径:φ10、φ12mm ■リード:4、10mm ■精度等級 ・PWシリーズ:C7級 ・PYシリーズ:C10級 ■軸端形状:軸端未加工品 ■生産区分:在庫品 ※詳しくはPDFをダウンロードしていただくか、お気軽にお問い合わせください。
価格帯
納期
用途/実績例
※詳しくはPDFをダウンロードしていただくか、お気軽にお問い合わせください。
カタログ(1)
カタログをまとめてダウンロード企業情報
私たちは部品一つひとつに設計者の意図を汲み取り、新しい商品や技術を提供することで、信頼関係を構築し、提案型サービスが出来るよう努めております。










